产品选型
选择臂展
  • 不限
  • 1.5米以内
  • 2米以内
  • 2.5米以内
  • 3米以内
  • 4米以内
选择负载
  • 不限
  • 10kg以内
  • 30kg以内
  • 50kg以内
  • 100kg以内
  • 200kg以内
  • 400kg以内
选型工具
嘿,您好
我能帮上什么忙?

给xpj官网电竞留言

请留言

CRP-RA21-70T5
描述
工业机器人搬运用途
产品宣传视频
播放视频
功能特点
  • 臂展2.13米,负载能力强,工作范围大,灵活性高。

  • 运行速度快,重复定位精度,适用于搬运、装配、打磨等场景。

  • 内置电缆、气管,减少外部干扰,更大方便客户使用,提高作业效率。

  • 配置独立于控制系统的安全急停板,采用进口强制型断开继电器,对外提供双回路急停,确保急停的可靠性。

  • 内装三相滤波器,有效隔离外部干扰和防止内部干扰输出。

  • 本体提供双回路气管,满足搬运的需求。

  • 针对包装码垛场景优化,拥有精准的操作和强大的力量,让码垛工作变得更轻而易举。


本体技术指标

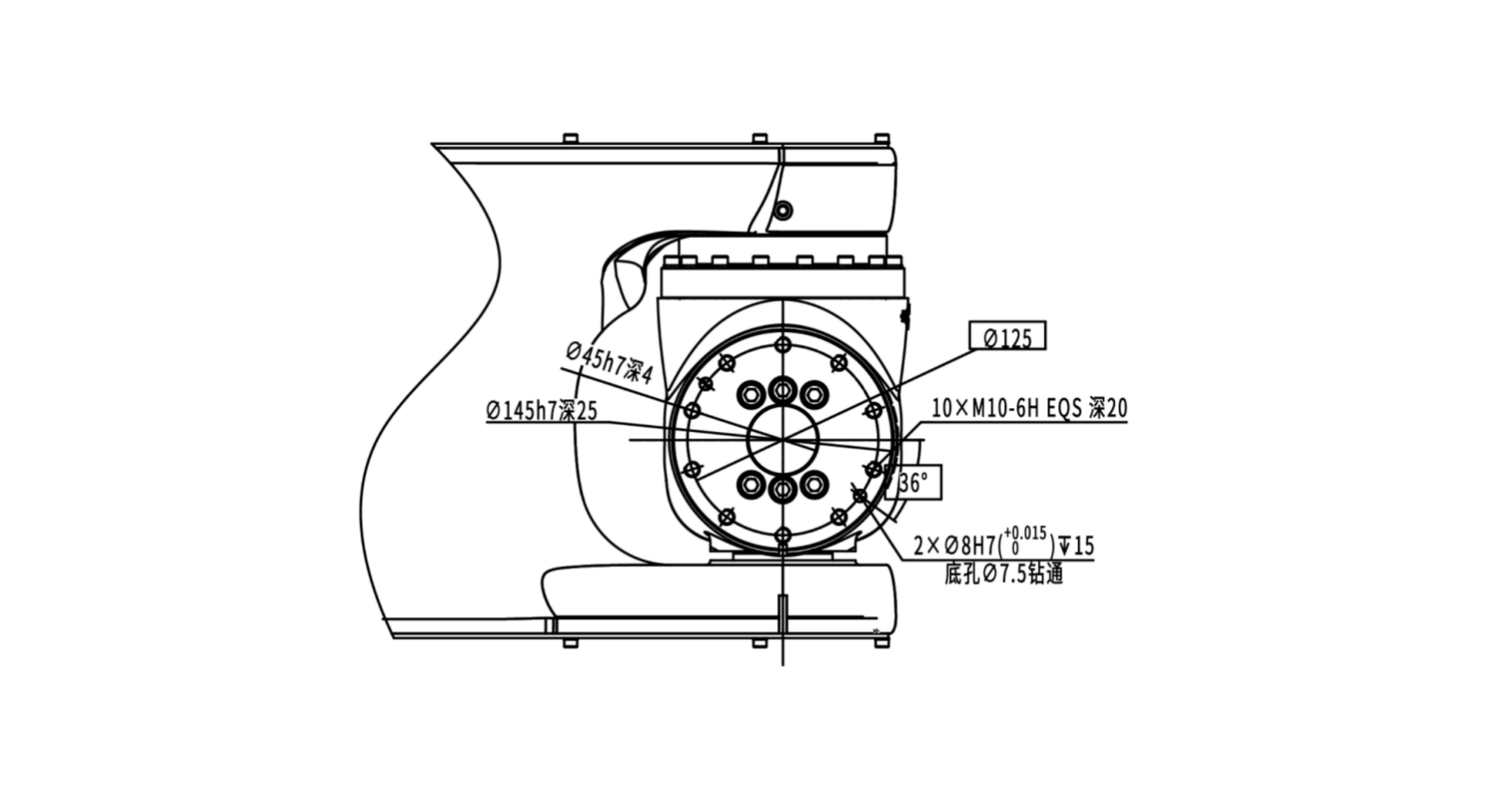
法兰安装尺寸图

动作范围图