Product
Arm Span
  • no limit
  • Within 1.5 meters
  • Within 2 meters
  • Within 2.5 meters
  • Within 3 meters
  • Within 4 meters
Load
  • no limit
  • Within 10kg
  • Within 30kg
  • Within 50kg
  • Within 100kg
  • Within 200kg
  • Within 400kg
Selection tool
Hey, hello
What can I do to help?

Leave us a message

Please leave a message

CRP-RA21-50
Describe
FUNCTIONAL FEATURES
  • Arm span of 2.13m, strong load capacity, large working range and high flexibility. Fast operation speed, repeated positioning accuracy, suitable for handing, assembly, grinding and other scenarios.

  • Built-in cables and trachea to reduce external interference, more convenient for customers to use and improve operation efficiency.

  • The safety emergency stop board independent of the control system is configured, and the imported forced disconnect relay is adopted to provide double-circuit emergency stop to ensure the reliability of emergency stop. 

  • Built-in three-phase filter to effectively isolate external interference and prevent internal interference output.

  • The body provides dual air pipes to meet the needs of transportation.

ROBOT BODY TECHNICAL PARAMETERS

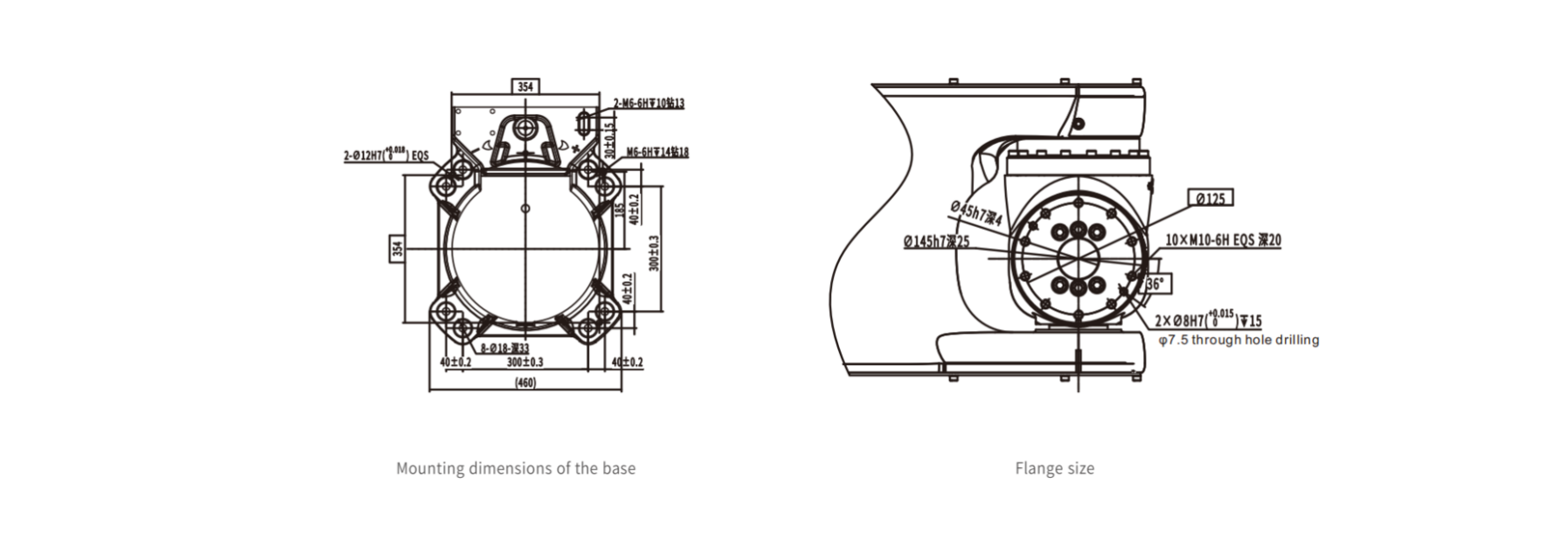
INSTALLATION INTERFACE DIAGRAM

MOTION RANGE DIAGRAM